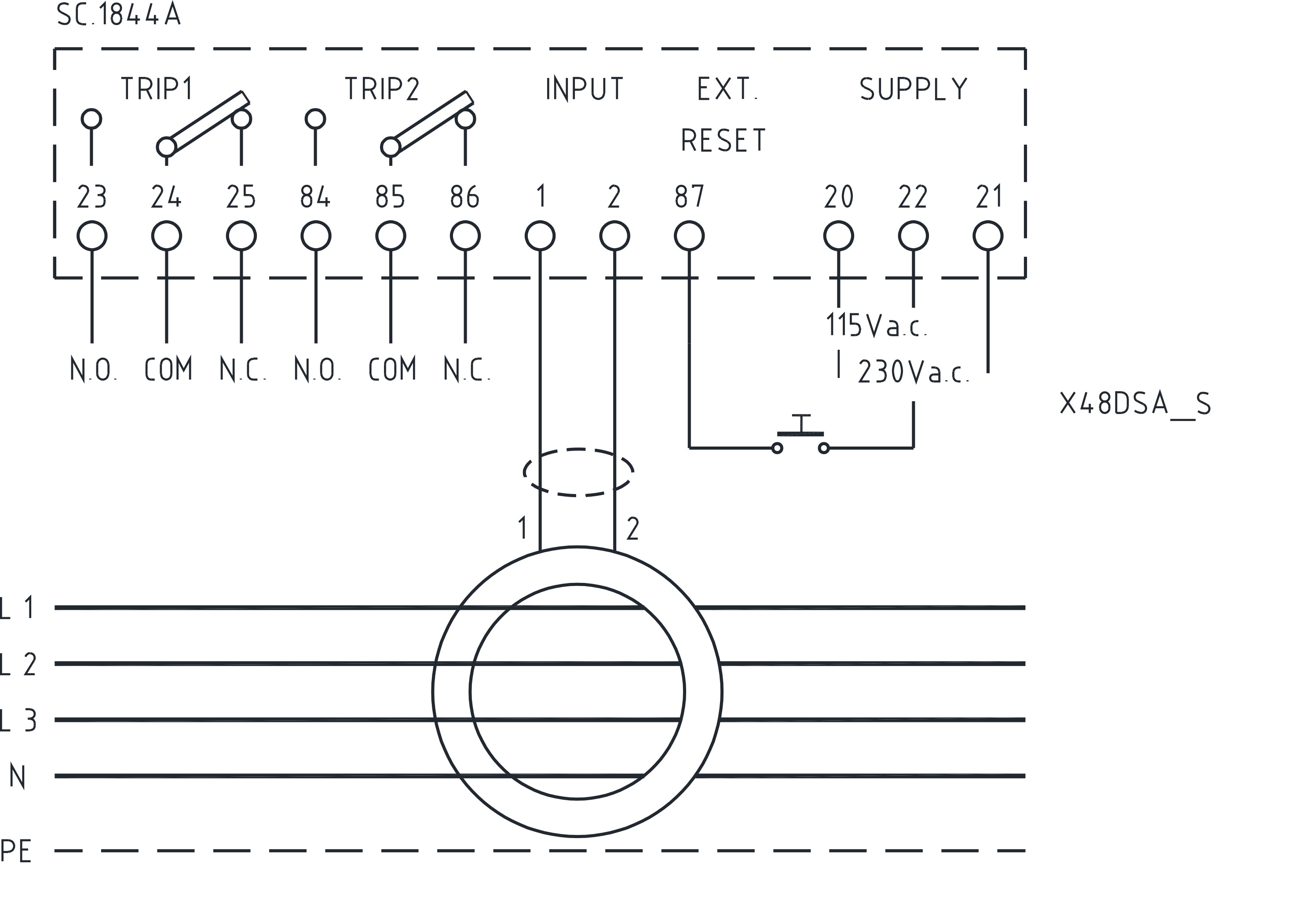
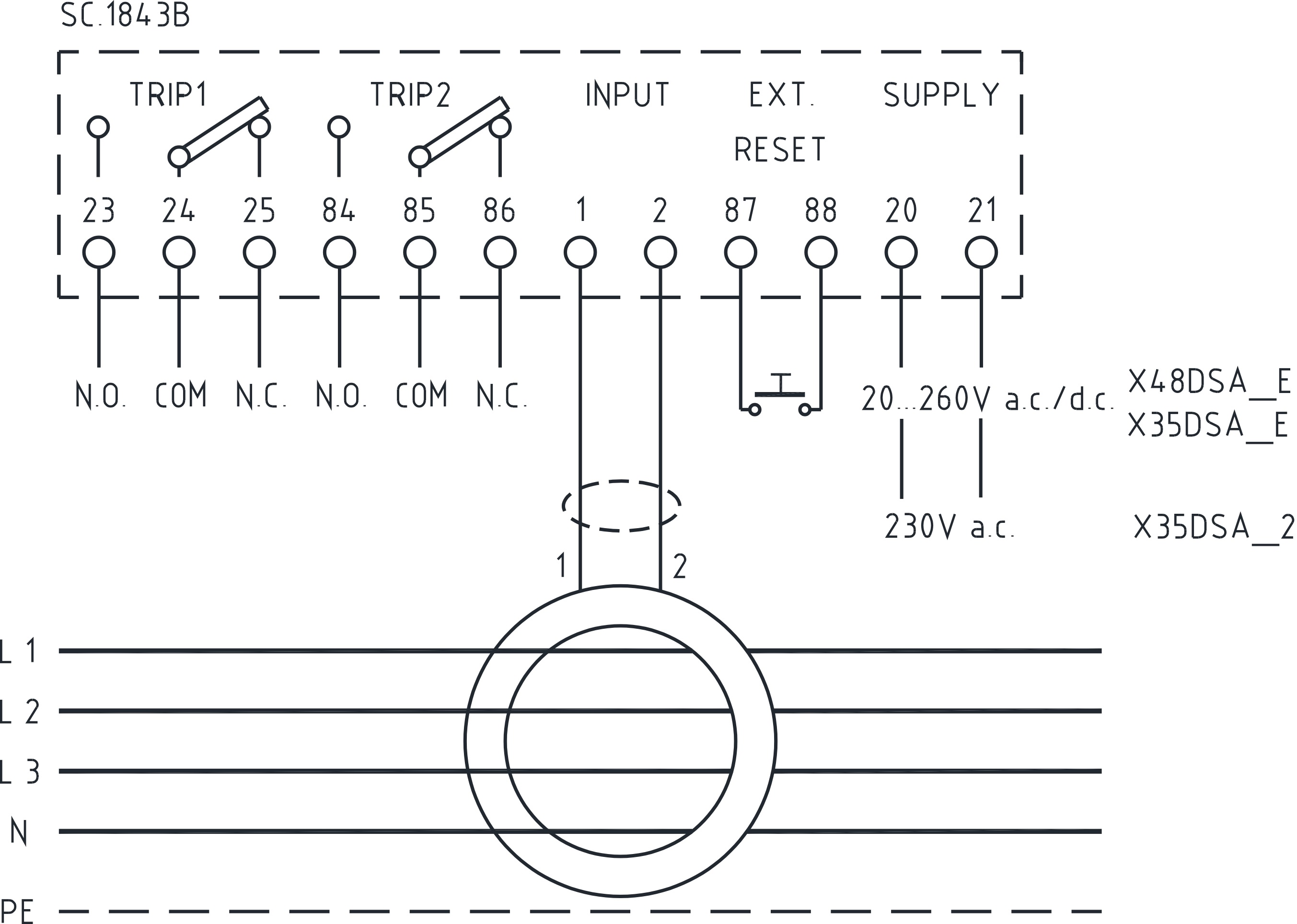
X48DSA
Relè differenziali tipo A - 48x48 mm
La nuova gamma di relè differenziali di tipo A a toroide separato offre massima sicurezza e protezione affidabile secondo la norma EN 60947-2 Allegato M. Corrente d'intervento IΔn regolabile 30mA...30A. Impostazioni tramite dip-switch e trimmer frontali. Doppio relè di TRIP. Connessione tramite toroidi esterni a nucleo chiuso o apribile della serie TDC-TDA
DOWNLOAD
Scopri la sezione Download dedicata ad i prodotti Frer!
Scopri di più




